การประยุกต์ใช้ระบบไอทีทางการแพทย์ของ Acrel ในโรงพยาบาลมาเลเซีย
บ้าน / โครงการ / โรงพยาบาล / การประยุกต์ใช้ระบบไอทีทางการแพทย์ของ Acrel ในโรงพยาบาลมาเลเซีย

การประยุกต์ใช้ระบบไอทีทางการแพทย์ของ Acrel ในโรงพยาบาลมาเลเซีย

ด้วยการใช้อุปกรณ์ทางการแพทย์อิเล็กทรอนิกส์ในโรงพยาบาลเพิ่มมากขึ้น ความเสี่ยงของกระแสไฟรั่วจึงเป็นภัยคุกคามที่สำคัญต่อความปลอดภัยของผู้ป่วย โดยเฉพาะอย่างยิ่งในสภาพแวดล้อมการดูแลผู้ป่วยวิกฤต ในระหว่างขั้นตอนการผ่าตัดหรือการดมยาสลบ ผู้ป่วยจะเชื่อมต่อโดยตรงกับอิเล็กโทรดและเซ็นเซอร์ต่างๆ แม้แต่กระแสไฟฟ้ารั่วเพียงเล็กน้อยก็อาจทำให้เกิดไฟฟ้าช็อตได้เมื่ออุปกรณ์ทางการแพทย์สัมผัสโดยตรงกับร่างกายมนุษย์

นอกจากนี้ อุปกรณ์ช่วยชีวิตสำหรับผู้ป่วยวิกฤตจะต้องทำงานอย่างต่อเนื่อง การไฟฟ้าขัดข้องอาจเป็นอันตรายต่อชีวิตผู้ป่วยได้ทันที ดังนั้นระบบไฟฟ้าของโรงพยาบาลจะต้องปฏิบัติตามมาตรฐานระดับชาติอย่างเคร่งครัดโดยการนำระบบจ่ายไฟไอทีในพื้นที่ที่กำหนด

กรณีศึกษานี้แสดงให้เห็นถึงการประยุกต์ใช้ระบบจ่ายไฟแยกส่วนทางการแพทย์ของ Acrel ในมาเลเซีย โดยมีเนื้อหาดังนี้:

การกระจายอำนาจด้านไอทีทางการแพทย์

อุปกรณ์ตรวจสอบฉนวน

ระบบระบุตำแหน่งข้อผิดพลาด

ติดต่อเรา
  • ภาพรวมโครงการ
  • ภาพรวมโครงการ
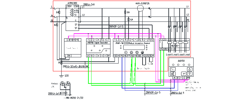
    I.E.D ของมาเลเซียตั้งอยู่ใน SELANGOR DARUL EHSAN โครงการนี้ส่วนใหญ่จะใช้ในโรงพยาบาลบนเกาะในประเทศมาเลเซีย ผลิตภัณฑ์เหล่านี้ใช้สำหรับตำแหน่งข้อบกพร่องของฉนวน 12 วงจรสำหรับระบบไฟฟ้าแยกของโรงพยาบาล 3 ชุด ผลิตภัณฑ์ที่เกี่ยวข้อง ได้แก่ อุปกรณ์ตรวจสอบฉนวน AIM-M200, เครื่องกำเนิดการทดสอบสัญญาณ ASG150, ตัวบ่งชี้สัญญาณเตือนแบบรวมศูนย์ AID150, เครื่องระบุตำแหน่งข้อบกพร่องของฉนวน AIL150-8, AIL150-4 และหม้อแปลงกระแสไฟฟ้ารั่ว AKH-0.66P26.


    บทนำระบบไอทีทางการแพทย์
    อุปกรณ์ตรวจสอบฉนวนของระบบไอทีทางการแพทย์ของ ACREL และระบบระบุตำแหน่งข้อบกพร่อง เหมาะสำหรับห้องผ่าตัดของโรงพยาบาล ห้องไอซียู (CCU) และสถานที่สำคัญอื่นๆ และสามารถเป็นสถานที่ที่ปลอดภัยสำหรับโซลูชันด้านพลังงานที่ต่อเนื่องและเชื่อถือได้ดังกล่าว


    โซลูชันการจ่ายไฟสำหรับสถานพยาบาล
    โซลูชันการกระจายวอร์ด ICU, CCU (เช่น แผนภาพระบบตู้ไฟฟ้าแบบแยก GGF-I8G)


    ตัวเลือกที่ 1 ไม่มีฟังก์ชันระบุตำแหน่งข้อบกพร่อง


    ตัวเลือก II พร้อมฟังก์ชันระบุตำแหน่งข้อบกพร่อง

    หมายเหตุ: ในโซลูชันการกระจายพลังงานของหน่วยผู้ป่วยหนัก ควรติดตั้งสัญญาณเตือนและจอแสดงผลแบบรวมศูนย์ซีรีส์ AID ในสถานีพยาบาล เจ้าหน้าที่โรงพยาบาลของสถานีพยาบาลจะตรวจสอบสถานะการทำงานของระบบไฟฟ้าแยกแต่ละระบบ


    โซลูชันการกระจายห้องผ่าตัด (เช่น แผนภาพระบบตู้ไฟฟ้าแยก GGF-O8G)

    ตัวเลือกที่ 1 ไม่มีฟังก์ชันตำแหน่งข้อบกพร่องของฉนวน


    ตัวเลือก II พร้อมฟังก์ชันตำแหน่งข้อบกพร่องของฉนวน

    1. ในโซลูชันการกระจายพลังงานของห้องผ่าตัด ควรติดตั้งชุด AID ของอุปกรณ์แจ้งเตือนและแสดงผลภายนอกบนแผงอัจฉริยะภายในห้องผ่าตัด หรือถัดจากแผงอัจฉริยะ (การติดตั้งติดผนัง) ในระหว่างการผ่าตัด เจ้าหน้าที่ทางการแพทย์จะตรวจสอบสุขภาพของระบบไฟฟ้าแยก

    2. ในรูปแบบที่มีฟังก์ชันตำแหน่งข้อบกพร่องของฉนวน หากจำนวนช่องสัญญาณที่ตั้งมากกว่าแปด จะสามารถใช้ตัวระบุตำแหน่ง AIL150 สองชุดได้ การรวมกันอาจเป็น AIL150-8 และ AIL150-4 (สูงสุด 12 ช่อง) หรือ AIL150 -8 และ AIL150-8 (สูงสุด 16 ช่อง)

    3. แผนภาพการเดินสายไฟทั่วไป






    4. แนะนำไอทีทางการแพทย์ 7 ชิ้น

    ชื่อผลิตภัณฑ์และประเภท รูปภาพสินค้า คำอธิบาย
    หม้อแปลงแยกทางการแพทย์ซีรีส์ AITR หม้อแปลงแยกซีรีย์ AITR ใช้เป็นพิเศษในระบบไอทีทางการแพทย์ ขดลวดได้รับการบำบัดด้วยฉนวนสองชั้นและมีชั้นป้องกันไฟฟ้าสถิต ซึ่งช่วยลดการรบกวนทางแม่เหล็กไฟฟ้าระหว่างขดลวด มีการติดตั้งเซ็นเซอร์อุณหภูมิ PT100 ในถุงลวดเพื่อตรวจสอบอุณหภูมิของหม้อแปลง ร่างกายทั้งหมดได้รับการเคลือบด้วยสีสุญญากาศ ซึ่งจะเพิ่มความแข็งแรงเชิงกลและความต้านทานการกัดกร่อน ผลิตภัณฑ์มีประสิทธิภาพการเพิ่มขึ้นของอุณหภูมิที่ดีและมีเสียงรบกวนต่ำมาก
    AIM-M200 เครื่องมือตรวจสอบฉนวนอัจฉริยะทางการแพทย์ เครื่องมือตรวจสอบฉนวนอัจฉริยะทางการแพทย์ AIM-M200 ใช้เทคโนโลยีไมโครคอนโทรลเลอร์ขั้นสูง ซึ่งมีการผสานรวมสูง ขนาดกะทัดรัด การติดตั้งที่สะดวก และผสานรวมความฉลาด การแปลงดิจิทัล และเครือข่ายไว้ในที่เดียว เป็นตัวเลือกที่เหมาะสมที่สุดสำหรับการตรวจสอบฉนวนของระบบไฟฟ้าแยกในสถานพยาบาลประเภท 2 เช่น ห้องผ่าตัดและห้องผู้ป่วยหนัก
    หม้อแปลงกระแส AKH-0.66P26 หม้อแปลงกระแสไฟฟ้าประเภท AKH-O 66P26 เป็นหม้อแปลงกระแสไฟฟ้าป้องกันที่รองรับจอภาพฉนวน AIM-M200 ซึ่งกระแสไฟฟ้าที่วัดได้สูงสุดคือ 60A และอัตราส่วนการเปลี่ยนแปลงคือ 2000:1 หม้อแปลงกระแสไฟฟ้าได้รับการแก้ไขโดยตรงภายในตู้โดยการขันสกรู และด้านรองจะถูกนำออกโดยเทอร์มินัล ซึ่งสะดวกในการติดตั้งและใช้งาน
    AIL150-4/AIL150-8 ตัวระบุตำแหน่งข้อบกพร่องของฉนวน AIL150-4/AIL150-8 ตัวระบุตำแหน่งข้อบกพร่องของฉนวน adopts high sensitivity transformer combined with a high precision signal detecting circuit, which detects the signal imported into the system from the ASG150 test signal generator and accurately locates the circuits which have insulation faults. AIL150-4 insulation fault locator can locate the insulation faults of 4 circuits, and the AIL150-8 insulation fault locator can locate the insulation faults of 8 circuits.
    เครื่องกำเนิดสัญญาณทดสอบ ASG150 เครื่องกำเนิดสัญญาณทดสอบ ASG150 ใช้ชิปไมโครโปรเซสเซอร์ 32 บิตและวงจรสร้างสัญญาณที่มีความแม่นยำสูงเพื่อสร้างสัญญาณทดสอบเฉพาะ เมื่อระบบไอทีที่ได้รับการตรวจสอบมีข้อบกพร่องของฉนวน ระบบสามารถเริ่มทำงานและสร้างสัญญาณทดสอบได้ทันเวลา โดยทำงานร่วมกับตำแหน่งข้อบกพร่องของฉนวนเพื่อทราบตำแหน่งข้อบกพร่องของฉนวน
    โมดูลพลังงาน HDR-60-24 แหล่งจ่ายไฟกระแสตรง HDR-60-24 สามารถจ่ายไฟ 24V DC พร้อมกันสำหรับ AIM-M200
    เครื่องมือตรวจสอบฉนวนอัจฉริยะทางการแพทย์, เครื่องกำเนิดสัญญาณทดสอบ ASG150, เครื่องระบุตำแหน่งข้อบกพร่องของฉนวน AIL150 ซีรีส์ และเครื่องมือแจ้งเตือนและแสดงผลแบบรวมศูนย์ AID150 แหล่งจ่ายไฟมีความจุสูง เอาต์พุตแรงดันไฟฟ้าที่เสถียร และการติดตั้งที่สะดวก ซึ่งสามารถตอบสนองความต้องการแหล่งจ่ายไฟของเมตรที่กล่าวถึงข้างต้น และเป็นผลิตภัณฑ์แหล่งจ่ายไฟที่แนะนำ
    AID1 50 อุปกรณ์แจ้งเตือนและแสดงผลแบบรวมศูนย์ อุปกรณ์แจ้งเตือนและแสดงผลแบบรวมศูนย์ AID150 ใช้จอแสดงผลคริสตัลเหลว LCD และแลกเปลี่ยนข้อมูลกับเครื่องมือตรวจสอบฉนวนอัจฉริยะทางการแพทย์ AIM-M200 ผ่านอินเทอร์เฟซการสื่อสาร RS485 ซึ่งสามารถตรวจสอบข้อมูลหลายช่องสัญญาณแบบเรียลไทม์ของเครื่องมือตรวจสอบฉนวนอัจฉริยะทางการแพทย์ AIM-M200

    ภาพถ่ายในสถานที่



บริษัท เอเครล จำกัด