จัดอันดับปัจจุบัน 80A โดยตรง
มีใบรับรอง MID
ความแม่นยำสูงคลาส C
ติดตั้งราง DIN 35 มม
เอาท์พุทพัลส์
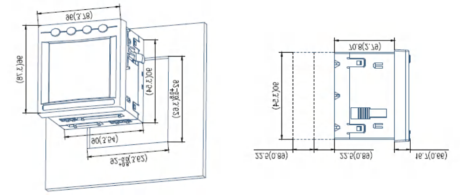
4 โมดูล ความกว้าง 72 มม
สำหรับการจัดการพลังงาน IoT, โรงงาน, โรงเรียน
การวัด True RMS
THD พร้อมฮาร์มอนิกที่ 63
K-Factor และ Crest Factor
มุมไม่สมดุลและเฟส
ความต้องการและพลังงานแบบหลายภาษี
บันทึกสูงสุด/ต่ำสุดพร้อมการประทับเวลา
+86-18702106858 / +86-21-69156352
APM810 คือพาเนลมิเตอร์มัลติฟังก์ชั่น AC สามเฟสระดับ 0.2S ที่ออกแบบมาเพื่อการตรวจสอบพลังงานที่แม่นยำ การวินิจฉัยคุณภาพไฟฟ้า และการเรียกเก็บเงินย่อยของผู้เช่าในแผงสวิตช์บอร์ดอุตสาหกรรม เชิงพาณิชย์ และศูนย์ข้อมูล กล่องหุ้ม DIN ขนาดกะทัดรัด 96×96 มม. มีหน้าจอสัมผัสสี TFT ที่แสดงแรงดันไฟฟ้า RMS จริงถึง 690 V, กระแสไฟฟ้า, ความถี่, กำลังไฟฟ้าแบบแอคทีฟ/รีแอกทีฟ/ปรากฏ, PF, อุปสงค์, ฮาร์โมนิคที่ 63, THD และสี่ควอแดรนท์ kWh/kvarh RS485 Modbus-RTU คู่, Ethernet TCP/IP, BACnet/IP, SNMP และ Wi-Fi/LoRa ที่เป็นอุปกรณ์เสริม ให้การผสานรวม BMS/EMS ได้อย่างราบรื่น ในขณะที่หน่วยความจำออนบอร์ด 4 MB จะบันทึกโปรไฟล์การโหลด 12 เดือนสำหรับการตรวจสอบพลังงาน เอาต์พุตรีเลย์ไดรฟ์หรืออินพุตดิจิทัลสำหรับการควบคุมเบรกเกอร์อัจฉริยะสามารถกำหนดค่าแรงดันไฟฟ้าเกิน/ต่ำ กระแส PF และสัญญาณเตือนฮาร์มอนิกได้ พัลส์, SOE และภาษี TOU ลงทะเบียนรองรับยูทิลิตี้ AMI, การวัดแสงสุทธิพลังงานแสงอาทิตย์ และแอปพลิเคชันการชาร์จ EV กว้าง 3×57.7–690 V, 0.001–10 A การเชื่อมต่อโดยตรงหรือ CT/VT พร้อมการปิดผนึกป้องกันการงัดแงะ พอดีกับการใช้งานกริดอัจฉริยะหรือไมโครกริด
| พารามิเตอร์ทางเทคนิค | ความคุ้มค่า | |||
| อินพุต | การเชื่อมต่อ | เฟสเดียว 2 สาย 3 เฟส 3 สาย 3 เฟส 4 สาย | ||
| ความถี่ | 45-65เฮิร์ต | |||
| แรงดันไฟฟ้า | คะแนน: | |||
| เฟสเดียว:AC 100V、400V | ||||
| สามเฟส: AC 3×57.7V/100V(100V)、3×220V/380V(400V)、3×380V/660V(660V)(ขนาด 96 เท่านั้น) | ||||
| โอเวอร์โหลด: อัตราพับ 1.2 เท่า {ต่อเนื่อง) : อัตราพับ 2 เท่าเป็นเวลา 1 วินาที | ||||
| การใช้พลังงาน:< 0.5VA | ||||
| ปัจจุบัน | คะแนน: AC IA、5A | |||
| โอเวอร์โหลด: คะแนน 1.2 เท่า (ต่อเนื่อง) คะแนน 10 เท่าเป็นเวลา 1 วินาที | ||||
| การใช้พลังงาน:< 0.5VA | ||||
| เอาท์พุต | พลังงานไฟฟ้า | เอาท์พุต mode:open-collector photo-coupler pulse | ||
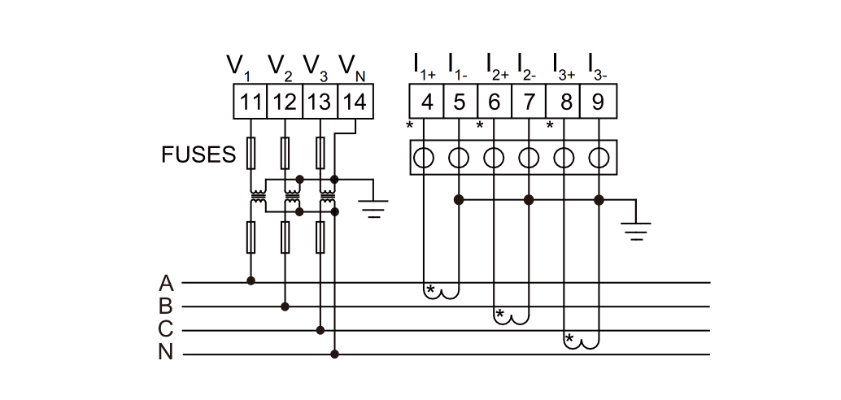
| ค่าคงที่ของพัลส์: 10,000imp/kWh (ตั้งค่าได้) โปรดดูแผนภาพการเดินสายเพื่อดูรายละเอียด | ||||
| การสื่อสาร | พอร์ต RS485, โปรโตคอล Modbus -RTU, โปรโตคอล DLT645 (เวอร์ชัน 07 และ 97) | |||
| อัตรารับส่งข้อมูล 1200 ~ 38400 | ||||
| ฟังก์ชั่น | การสลับอินพุต | อินพุตหน้าสัมผัสแบบแห้ง, แหล่งจ่ายไฟในตัว หากรุ่นเป็น KA แสดงว่าใช้งาน AC 220V | ||
| การสลับเอาต์พุต | เอาท์พุต mode: Relay normally open contact output | |||
| ความจุหน้าสัมผัส: AC 250V/3A、 DC 30V/3A | ||||
| เอาท์พุทแบบอะนาล็อก | 4 - 20 มิลลิแอมป์ | |||
| ระดับความแม่นยำ | ความถี่:0.05Hz,Current、Voltage:0.2 class,Reactive power:l .0class,Reactive Electric energy:l .0class, active power:0.5class,active electric energy: 0.5class,2-31th harmonic measurement:±1% | |||
| แหล่งจ่ายไฟ | AC / DC 85-265V หรือ DC24V (± 20%) หรือ DC48V (± 20%) | |||
| การใช้พลังงาน≤10VA | ||||
| ความปลอดภัย | ความถี่ไฟฟ้าทนต่อแรงดันไฟฟ้า | ระหว่างแหล่งจ่ายไฟ // เอาต์พุตการสลับ // อินพุตปัจจุบัน // อินพุตแรงดันไฟฟ้าและการส่งสัญญาณ // การสื่อสาร // เอาต์พุตพัลส์ // อินพุตการสลับ AC 2 kV 1 นาที; | ||
| ระหว่างแหล่งจ่ายไฟ、เอาต์พุตการสลับ、อินพุตปัจจุบัน、อินพุตแรงดันไฟฟ้า AC 2 kV 1 นาที; | ||||
| ระหว่างการส่งสัญญาณ、การสื่อสาร、พัลส์เอาท์พุต、การสลับอินพุต AC 1kV 1 นาที; | ||||
| ความต้านทานของฉนวน | อินพุต、Output end to machine enclosure >100MΩ | |||
| สิ่งแวดล้อม | อุณหภูมิ | ทำงาน: -25°C~ 65°C การเก็บรักษา: -40°C ~ 80°C | ||
| ความชื้น | ≤93%RH ไม่ควบแน่น | |||
| ระดับความสูง | ≤2500ม | |||
โซลูชันการตรวจสอบพลังงาน
Acrel Co., Ltd. ก่อตั้งขึ้นในปี 2003 【รหัสสินค้า: 300286.SZ】 เป็นองค์กรเทคโนโลยีขั้นสูงที่เชี่ยวชาญด้านโซลูชั่นการจัดการพลังงานและความปลอดภัยทางไฟฟ้า Acrel มีสำนักงานใหญ่ในเซี่ยงไฮ้ โดยนำเสนอโซลูชั่นที่เป็นนวัตกรรมและยั่งยืนสำหรับประสิทธิภาพการใช้พลังงานไมโครกริดและความปลอดภัยทางไฟฟ้า ด้วยสิทธิบัตรและลิขสิทธิ์ซอฟต์แวร์มากกว่า 600 รายการ Acrel ได้ปรับใช้โซลูชันระบบมากกว่า 28,000 รายการทั่วโลก ก่อให้เกิดสถาปัตยกรรมอินเทอร์เน็ตพลังงาน "cloud-edge-end" ที่ครอบคลุม
Acrel Co., Ltd. is China Wholesale เครื่องวัดพลังงานแบบติดตั้งบนแผงแบบตั้งโปรแกรมได้ AC สามเฟส Manufacturers and เครื่องวัดพลังงานแบบติดตั้งบนแผงแบบตั้งโปรแกรมได้ AC สามเฟส Factory. Acrel's integrated product ecosystem spans from cloud platform software to end-user components, covering sectors such as power, renewable energy, data centers, smart buildings, transportation, and smart cities. These solutions enable intelligent, real-time energy management, enhancing energy security and reducing operational costs. We offer เครื่องวัดพลังงานแบบติดตั้งบนแผงแบบตั้งโปรแกรมได้ AC สามเฟส for sale.
Jiangsu Acrel Electric Manufacturing Co., Ltd. ซึ่งเป็นโรงงานผลิตของบริษัท ปฏิบัติตามมาตรฐานคุณภาพและแนวทางด้านสิ่งแวดล้อมที่เข้มงวด พร้อมด้วยศูนย์ทดสอบที่ทันสมัย และความมุ่งมั่นต่อกระบวนการผลิตไร้สารตะกั่ว ทีมวิศวกรกว่า 500 คนของ Acrel นำเสนอระบบประสิทธิภาพพลังงานที่ล้ำสมัยและโซลูชั่นพลังงานอัจฉริยะ
ด้วยสถานะที่แข็งแกร่งในประเทศ Acrel กำลังขยายธุรกิจไปต่างประเทศอย่างแข็งขัน โดยได้รับการสนับสนุนจากเครือข่ายทีมขายและทีมเทคนิคทั่วโลก และแพลตฟอร์มอีคอมเมิร์ซที่ให้ประสบการณ์การบริการที่ราบรื่นทั่วโลก Acrel มีความภูมิใจที่จะช่วยให้ธุรกิจต่างๆ ปรับปรุงประสิทธิภาพ ลดการบริโภค และบรรลุเป้าหมายด้านความยั่งยืน
เรากำลังสร้างอนาคตที่ชาญฉลาดและเป็นมิตรต่อสิ่งแวดล้อมมากขึ้นด้วยกัน
สิทธิบัตรที่ได้รับอนุญาต
0+จำนวนลูกค้าที่ให้บริการ
0+จำนวนพนักงานทั้งหมด
0+ฐานการผลิต
0ตร.มThe modern electrical landscape is a complex tapestry of interconnected power systems, predominantly alternating current (AC) for generation, transmission, and distribution. However, the rise of renewable energy, energy storage, electric vehicles, and industrial processes has propelled direct cur...
Read Moreโครงข่ายไฟฟ้าสมัยใหม่ถือเป็นผลงานชิ้นเอกของวิศวกรรม ซึ่งเป็นเครือข่ายขนาดใหญ่และเชื่อมต่อถึงกัน ซึ่งออกแบบมาเพื่อจ่ายพลังงานจากแหล่งผลิตไฟฟ้าไปยังผู้ใช้ปลายทางด้วยความน่าเชื่อถือที่โดดเด่น หัวใจของระบบนี้คือสายส่งไฟฟ้าแรงสูง ซึ่งเป็นหลอดเลือดแดงของกล้ามเนื้อที่นำพลังงานจำนวนมหาศาลไปในระยะทางอันกว...
Read Moreในขอบเขตของการบำรุงรักษาไฟฟ้า การจัดการพลังงาน และความน่าเชื่อถือของระบบ บทบาทของ เครื่องวิเคราะห์คุณภาพไฟฟ้า เป็นสิ่งที่ขาดไม่ได้ อุปกรณ์เหล่านี้เป็นรากฐานที่สำคัญมายาวนานในการวินิจฉัยปัญหาทางไฟฟ้าที่หลากหลาย ตั้งแต่ความผันผวนของแรงดันไฟฟ้าทั่วไปไปจนถึงเหตุการณ์ชั่วคราวที่ซับซ้อน สำหรับผู...
Read More