ยินดีต้อนรับสู่การเชื่อมต่อ
ในบริบทของการพัฒนาอย่างรวดเร็วของอุตสาหกรรมพลังงานใหม่ สถานการณ์เช่น การจัดเก็บพลังงานเชิงพาณิชย์และอุตสาหกรรม , สถานีเปลี่ยนแบตเตอรี่ และ ระบบจัดเก็บไฟฟ้าโซลาร์เซลล์ในครัวเรือน ได้ตั้งข้อเรียกร้องที่สูงขึ้นเกี่ยวกับ ความถูกต้อง ความเข้ากันได้ และสติปัญญา ของ การวัดแสงไฟฟ้า . Acrel Electric ได้พัฒนาโซลูชันเครื่องมือวัดที่รองรับพลังงานใหม่อย่างเต็มรูปแบบ โซลูชันเหล่านี้ได้รับการออกแบบมาโดยเฉพาะสำหรับความต้องการหลักของสถานการณ์การใช้งานที่แตกต่างกัน ครอบคลุมความต้องการการสูบจ่ายตั้งแต่การใช้งานในครัวเรือนที่ใช้พลังงานต่ำไปจนถึงระบบกักเก็บพลังงานขนาดใหญ่ในเชิงพาณิชย์และอุตสาหกรรม โซลูชันดังกล่าวให้การสนับสนุนที่เชื่อถือได้สำหรับการทำงานที่มั่นคงและการสูบจ่ายระบบพลังงานใหม่ที่แม่นยำ
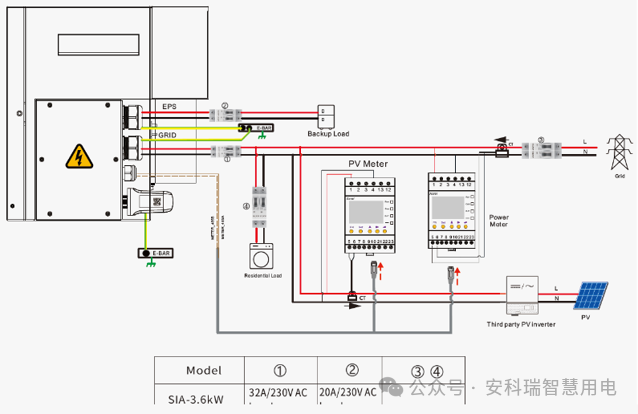
เซลล์แสงอาทิตย์และการจัดเก็บพลังงานที่อยู่อาศัยถือเป็นสถานการณ์การใช้งานที่สำคัญสำหรับการเผยแพร่พลังงานใหม่ Acrel ได้พัฒนาผลิตภัณฑ์เครื่องมือที่เข้ากันได้สูงโดยมีเป้าหมายตามสถานการณ์ย่อยที่แตกต่างกัน รวมถึง การจับคู่อินเวอร์เตอร์จัดเก็บพลังงาน, การรวมอินเวอร์เตอร์แบบไฮบริด, ระบบจัดเก็บไฟฟ้าโซลาร์เซลล์ที่ระเบียง และระบบส่งผ่านแบบโปร่งใสแบบจุดต่อจุดสำหรับการจัดเก็บพลังงานขนาดเล็ก . ผลิตภัณฑ์เหล่านี้สมดุลการบูรณาการ ความเร็วการวัด และความยืดหยุ่นในการสื่อสาร
เพื่อตอบสนองต่อลักษณะเฉพาะทางการตลาดของความเข้ากันได้หลายแบรนด์ในระบบพลังงานแสงอาทิตย์และระบบจัดเก็บพลังงาน การกำหนดค่า RS485 CT จึงถูกนำมาใช้เพื่อรองรับเงื่อนไขการติดตั้งที่ไม่แน่นอนสำหรับตัวแทนมืออาชีพ เครื่องมือนี้ได้รับการรับรองมาตรฐานสากล CE-MID, UL และ RCM ด้วยอัตราการรีเฟรชข้อมูลความเร็วสูง 50ms อุปกรณ์ยังรองรับการปรับลำดับเฟส ทำให้มั่นใจได้ถึงการวัดที่แม่นยำและความเข้ากันได้สูง
สำหรับข้อกำหนดในการบูรณาการระดับสูงของการออกแบบอินเวอร์เตอร์จัดเก็บพลังงานแบบออลอินวันและข้อกำหนดการวัดแสงแบบสองช่องสัญญาณในสถานการณ์การติดตั้งเพิ่มเติม อุปกรณ์ดังกล่าวได้รับการติดตั้งเทอร์มินัลปลั๊กด่วนสำหรับแรงดันไฟฟ้าและกระแสไฟฟ้าและพอร์ตการสื่อสาร RJ45 นอกจากนี้ยังรองรับอัตราการรีเฟรชข้อมูล 50 มิลลิวินาที และการปรับลำดับเฟส พร้อมด้วยระบบการรับรองที่ครอบคลุม ทำให้เหมาะสำหรับทั้งการติดตั้งเพิ่มเติมและการติดตั้งใหม่
ออกแบบมาโดยเฉพาะสำหรับระบบเซลล์แสงอาทิตย์แบบกระจายพลังงานต่ำและการจัดเก็บพลังงานบนระเบียง โซลูชันนี้สร้างสมดุลในการบูรณาการระดับสูงกับการติดตั้งและการทดสอบการใช้งานที่สะดวกสบาย นอกจากนี้ การวัดแสงแบบสองช่องสัญญาณและขั้วต่อแบบปลั๊กเร็ว มันยังรองรับ ฟังก์ชั่นการแก้ไขข้อบกพร่อง WiFi, WiFi ฮาโลว์ และ Bluetooth . การออกแบบไร้สายช่วยลดความยุ่งยากในการติดตั้งในสถานการณ์ขนาดเล็กได้อย่างมาก และผลิตภัณฑ์ได้รับการรับรอง CE-RED
เพื่อกล่าวถึง การเจาะระบบไม่ดีและประสิทธิภาพของเครือข่ายไม่เสถียร ของ traditional WiFi in micro-energy storage scenarios, WiFi HaLow นำเทคโนโลยีการสื่อสาร (Sub-1GHz) มาใช้ เมื่อเทียบกับ WiFi แบบดั้งเดิม มันมีความสามารถในการเจาะที่แข็งแกร่งกว่าและระยะการส่งข้อมูลที่ยาวกว่า เมื่อเปรียบเทียบกับการสื่อสาร LoRa จะให้ความเร็วในการส่งข้อมูลที่สูงกว่าและความเสถียรที่ดีกว่า เครื่องมือนี้รองรับเทคโนโลยีนี้โดยกำเนิด โดยต้องการเพียง AP เพิ่มเติมที่ฝั่งอินเวอร์เตอร์เพื่อให้สามารถสื่อสารไร้สายได้ นอกจากนี้ยังรองรับการกำหนดค่าเครือข่ายที่รวดเร็วแบบตัวต่อตัวและแบบตัวต่อกลุ่ม ทำให้เหมาะสำหรับระบบอินเวอร์เตอร์หลายตัวในครัวเรือนและระบบจัดเก็บข้อมูลขนาดเล็กสำหรับระเบียง
การจัดเก็บพลังงานในอุตสาหกรรมและเชิงพาณิชย์ การจัดเก็บพลังงานขนาดใหญ่ และสถานีเปลี่ยนแบตเตอรี่จำเป็นต้องมีมาตรฐานที่เข้มงวดในด้านความแม่นยำในการวัด ความเร็วในการรีเฟรช ความยืดหยุ่นในการติดตั้ง และการปฏิบัติตามกฎระเบียบ Acrel นำเสนอผลิตภัณฑ์เครื่องมือแบบฝังและติดตั้งบนราง DIN ตามความต้องการที่สำคัญ เช่น การเรียกเก็บเงินหลายอัตรา การวัดความต้องการ การป้องกันการไหลของพลังงานแบบป้องกันการย้อนกลับ และการสื่อสารไร้สาย รองรับทั้งการติดตั้งใหม่และแอปพลิเคชันดัดแปลง
APM521 ได้รับการรับรอง CSA (UL) ในต่างประเทศ และให้ความแม่นยำในการวัดพลังงานแบบแอคทีฟสูงถึง 0.2 วินาทีคลาส (คลาส D) มาพร้อมกับที่เก็บข้อมูลการ์ด SD สำหรับพารามิเตอร์ทางไฟฟ้าแบบเรียลไทม์ การออกแบบโมดูลส่วนขยายยูนิตหลักแบบโมดูลาร์รองรับการติดตั้งทั้งแบบฝังและแบบราง DIN ซึ่งตอบสนองความต้องการการติดตั้งที่หลากหลายในโครงการใหม่
นี่คือคลาสมิเตอร์ 0.5S พร้อม CT ภายนอก ซึ่งใช้กันอย่างแพร่หลายในการใช้งานของลูกค้ารายใหญ่ รองรับการเดินสายไฟสำหรับติดตั้งเพิ่มเติม CT สำรอง และสามารถจับกระแสไฟด้านทุติยภูมิของหม้อแปลงกระแสไฟฟ้าที่มีอยู่ได้โดยตรง ทำให้เหมาะอย่างยิ่งสำหรับโครงการติดตั้งเพิ่มเติมมิเตอร์ ผลิตภัณฑ์ได้รับการรับรอง CPA, CE และ UL และยังสามารถปรับแต่งให้เป็นเวอร์ชันรีเฟรชความเร็วสูงเพื่อให้ตรงตามข้อกำหนดการใช้งานที่มีประสิทธิภาพสูง
นอกจากนี้ โซลูชันทางอุตสาหกรรมและเชิงพาณิชย์ยังรวมฟังก์ชันการป้องกันโอเวอร์โหลดไว้ด้วย ระบบสามารถเชื่อมต่อกับสถานการณ์การจัดเก็บพลังงานข้างเคียงแรงดันสูงและแรงดันต่ำ และสามารถทำงานร่วมกับมิเตอร์ไฟฟ้าหลายอัตราเพื่อให้บรรลุการวัดค่าไฟฟ้าที่แม่นยำภายใต้โครงสร้างภาษีที่แตกต่างกัน โดยให้การสนับสนุนด้านความปลอดภัยและการจัดการพลังงานที่ครอบคลุมสำหรับระบบจัดเก็บพลังงานในอุตสาหกรรมและเชิงพาณิชย์และสถานีเปลี่ยนแบตเตอรี่
ในบริบทของการอัพเกรดอย่างต่อเนื่องในอุตสาหกรรมพลังงานใหม่ Acrel จะยังคงมุ่งเน้นไปที่นวัตกรรมและปรับปรุงพลังงานใหม่ที่รองรับเทคโนโลยีเครื่องมือวัดและระบบผลิตภัณฑ์ต่อไป บริษัทมีเป้าหมายที่จะให้บริการที่มีประสิทธิภาพ ชาญฉลาด และเชื่อถือได้มากขึ้น การวัดแสงไฟฟ้า solutions สำหรับการจัดเก็บพลังงานเชิงพาณิชย์และอุตสาหกรรม สถานีเปลี่ยนแบตเตอรี่ และการใช้งานการจัดเก็บพลังงานแสงอาทิตย์ในครัวเรือน ซึ่งช่วยส่งเสริมการพัฒนาคุณภาพสูงของอุตสาหกรรมพลังงานใหม่
